HY-KSD大电流温控器
型号:大电流温控器系列
大电流温控器产品应用范围:
⑴ 即热式电热水器温控器
⑵ 电热设备温度开关
⑶ 电焊机温控开关
⑷ 蒸汽加热器温度保护器
⑸ 大功率机械设备热保护器
⑹ 电器产品突跳式温控器
大电流温控器产品性能及原理:
大电流温控器,是带外壳全封闭的双金属片接触感温式温度继电器,根据热胀冷缩原理使金属片弯曲,从而达到在预设定之温度范围内快速跳脱和接通,对电器起安全保护作用,其断开温度和复位温度可根据客户之需要而制作。
大电流温控器产品规格:
⑴ 产品功能:温度保护及过热保护防干烧
⑵ 电气特性:DC5V-DC48V,AC125V-AC400V,10A/ 16A/ 25A/ 45A/ 63A
⑶ 工作温度范围:0℃~160℃(任选)。
⑷ 温度公差:±3℃,±5℃(或按客户要求)
⑸ 常态接触电阻:≤50mΩ
⑹ 常态电气强度:AC1800V,历时1min无击穿闪络现象
⑺ 壳体防护等级:IP00
⑻ 使用寿命:>10,000次
⑼ 触点形式:常闭型:温度上升,触点断开,温度下降,触点接通;
常开型:温度上升,触点接通,温度下降,触点断开
手动复位型:温度上升,触点断开,温度下降,手动按复位柄接通;
大电流温控器产品注意事项:
⑴ 采用接触感温式安装时,应使金属盖面贴紧被控器具的安装面。
⑵ 安装时不可把盖面压变形,以免影响性能。
⑶ 为防止漏电,使用时不能让液体渗入控温器内部,以免影响电气可靠性。
⑷ 产品应在相对湿度小于90%,环境温度40℃以下通风洁净干燥无腐蚀性气体的仓库中存放。
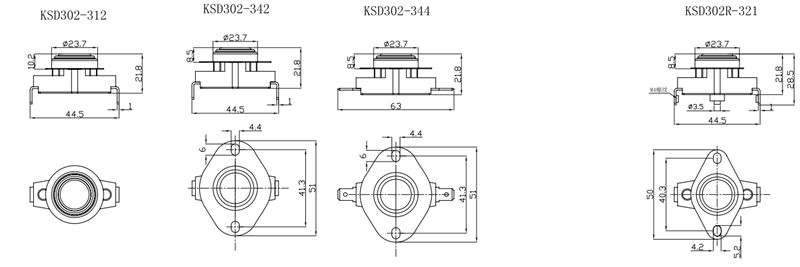
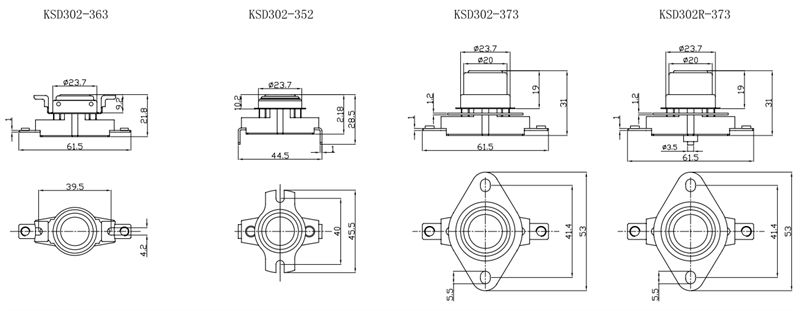
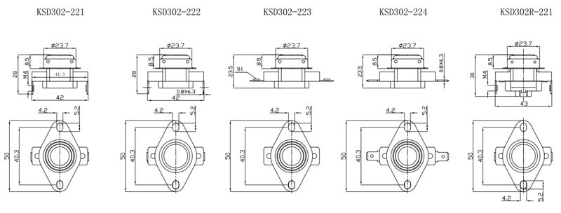
大电流温控器尺寸图:












